- JPN Home
- EN Home
- Shock Absorbers index
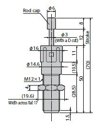
- FA-1212L Series
Fuji Latex |
|
shock absorber
|
Industrial machinery
Fixed type
| You can use even as a speed controller. | ![]() |
||
|
Catalog | ||
Terms for Overseas |
||||||||||
※このページは海外発送向けです。 国内発送はこちらをご覧ください。 |
||||||||||
|
||||||||||
| Shipping Charge Is Based On the total WEIGHT also depends on the Destination. Please see the below website for your reference. JAPAN POST EMS http://www.post.japanpost.jp/int/charge/list/ems_all_en.html In case of ordered items were Over 30 Kilograms, We might ship them via air shipment or via ocean freight or will advise you any options you have. We will inform you the Shipping COST and Delivery Schedule. |
||||||||||
BANK TRANSFER (Paid in Advance) If you have any Comments, Please Contact US. |




