ショッピングカート

ヒンジダンパー
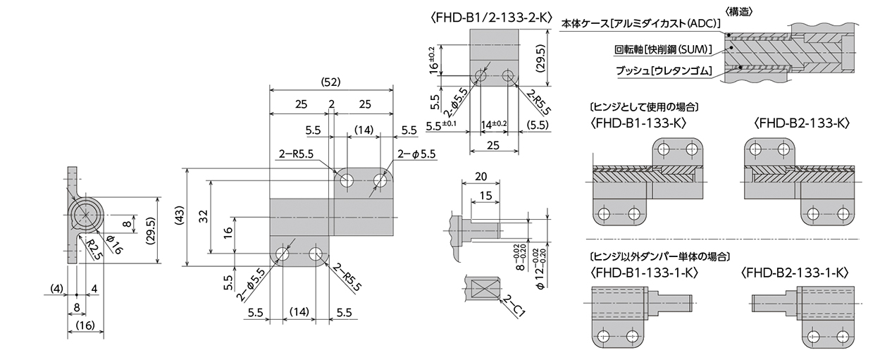
FHD-B1/B2シリーズ不二ラテックス

寸法表 _Dimension

カタログ

製品一覧 _Lineup

ヒンジダンパー FHD-B1/B2シリーズ不二ラテックス

FHD-B1/B2

お問い合わせ・ご相談 特注品対応、ロット見積、定期ご購入、通常お取引、価格、納期、仕様についてのご質問などお気軽にご相談ください。

03-3711-4851
メールでのお問い合わせ・
ご相談はこちら